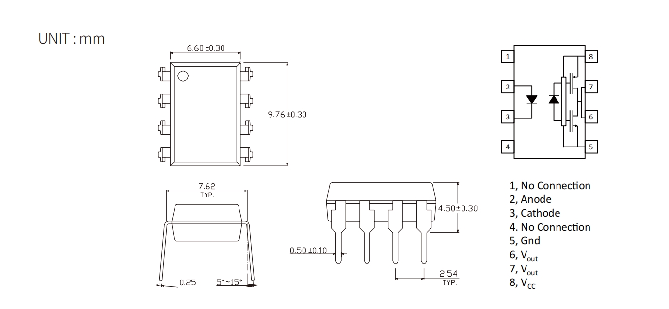
| Product | Package | size(LxWxHmm) | IFLH (Max) (mA) | VCC (Min) (V) | VCC (Max) (V) | tPHL(ns) | tPLH(ns) | Output Current (A) | CMR(V/us) | Topr (Min) (degC) | Topr (Max) (degC) | Viso (Vrms) |
| KL3140 | DIP8 | 9.76x6.6x3.5 | 5 | 15 | 30 | 300 | 300 | 0.6 | 25000 | -40 | +110 | 5000 |
| Broadcom/Avago | Onsemi/Fairchild | Toshiba | Vishay | Liteon | EL | Cosmo | Sharp | QUNXIN |
| HCPL-0314/HCPL-3140 | TLP351A | V0315A | EL3140 |
